+1(408) 432-8039 +1(408) 432-1089 sales@akoninc.com

RF & Microwave Amplifiers

Dual Noise Amplifier 3.5 - 5.5 GHz

Features

    • Compact Package
    • Low Noise Figure
    • High Gain 42 dB
    • +10 dBm P-1
    • Dual Channels

Description

AKON is a leading manufacturer of high performance RF/Microwave Components and advanced Integrated Microwave Assemblies and Subsystems for Military, Space and Industrial applications.  AKON has extensively researched and developed a product line of low noise (added phase noise and thermal noise) RF amplifiers to be used for front end amplifiers in sensitive receiver systems such as secure communications, ELINT, RWRs and ECM.  These low noise amplifiers are available in frequencies to 40 GHz, over customer defined bands.  Please contact AKON for further information.

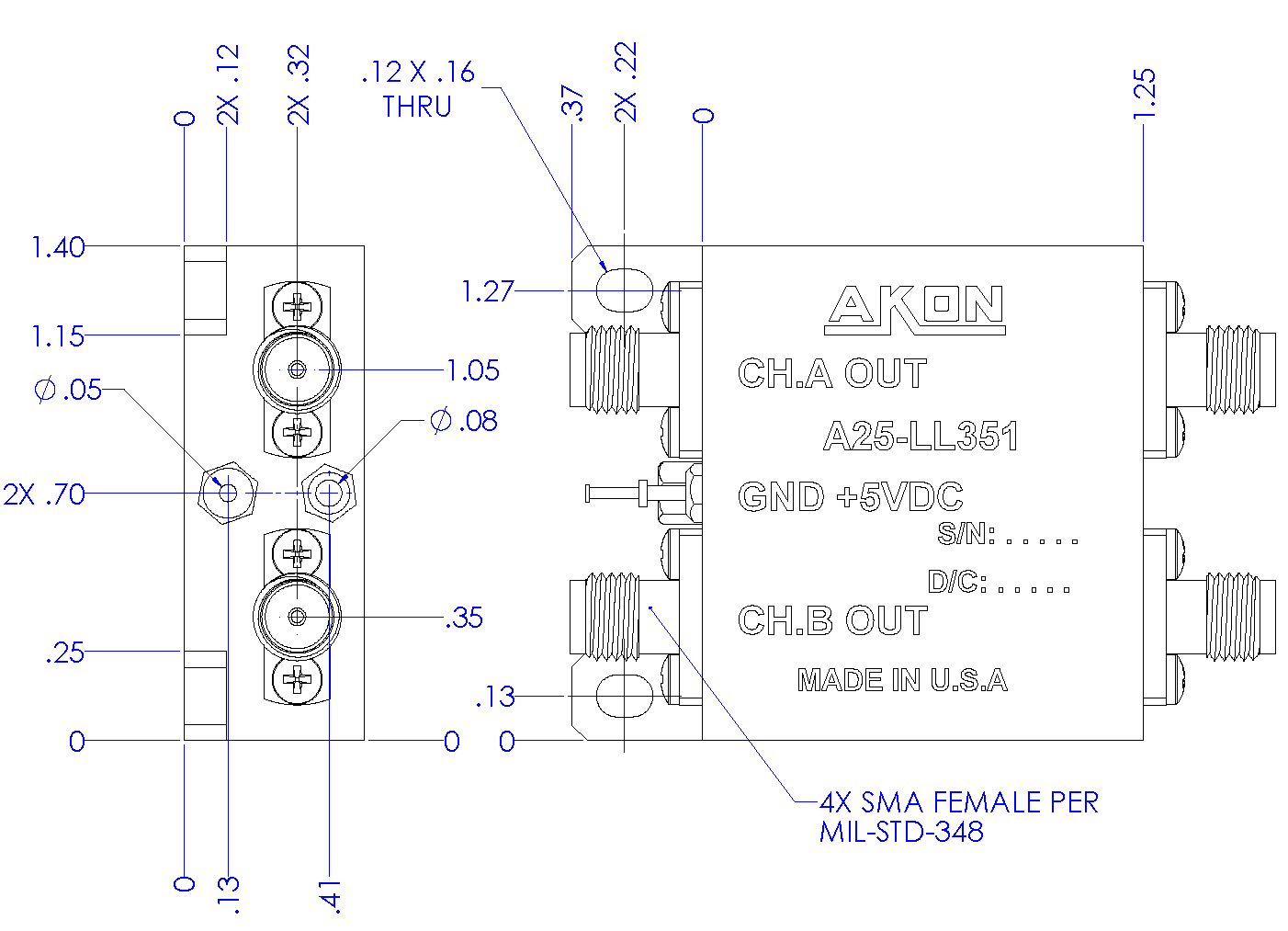
The AKON A25-LL351 is a dual channel low noise amplifier.  This unit has two independent but identical channels of low noise amplification in a single package.  This permits very compact system packaging for receiving systems incorporating dual receive antenna feeds, for example from an antenna with two polarizations.  The unit is ruggedly constructed and enclosed in a sealed housing suitable for military applications.  Broader band operation is an available option.

SPECIFICATIONS
Model Number Channels (GHz) Frequency (GHz) Gain (dB) Power Output @ 1 dB GCP Noise Figure (Nom.) VSWR (Input/Output) Power Supply Connectors Operating Temperature (°C) Dimensions (Inches) Select Product
A25-LL351 2 3.5 to 5.5 GHz 42 dBNom +10 dBmMin 1.5 dB Nom @ 25ºC 2.0:1 Max +5 VDC @ 400 mA (Combined) on Solder Pins SMA-F -40 to +70 1.25 x 1.4 x 0.42Inches
Note: You can select different models and submit inquiry or custom quote request with help of different options available at bottom of page.

Customer Program

JPL - MIRO (Complex Integrated Microwave Assembly)
JPL - MLS (complex Converter Assembly)
AEG - Germany FL-1800 (Electronic Counter Measure)
CSIST - Shipboard Radar Update
Raytheon - SLQ - 32
BAE/Sanders - USM - 406C (Test Set)
BAE/Sanders - USM - 464 (Test Set)
US Navy - SAR - Synthetic Aperture Radar TR Modules
NAVSEA/Envisioneering - SEAPORT-e Program (Tuners)
Lockheed Martin - AEGIS
SEARAM - Rolling Airframe Missile
Brazilian Navy
DSTO Australia
Anaren - Canadian F18
Ford - HARM Missile Seeker
ITT - ASPJ (Airborne Self Protect Jammer) IDECM (Integrated Digital Electronic Counter)
Japan - FSX, Several RWR (Radar Warning Receiver)
BAE/Loral - ALR - 56C (F15 Fighter) RWR
BAE/Loral - ALR - 56M (F16 Fighter) RWR
BAE/Loral - ALQ - 131 (Pod Mounted Jammer)
Turkish F-16 - Front End Converters SPEWS II
DRS - Euro Fighter Test Set
BAE/Loral - ALR - 56V - F15 (RWR Update)
Northrop Grumman - JSTARS
Northrop Grumman - ALQ - 188 (Electronic Attack Training Pod)
Raytheon - ALQ - 142 (LAMPS Helicopter)
Electronica (Italy)
Government of India - Aircraft Radar
DSTO (Australia)
© Copyright 2026 Akon Inc.
Design and Developed by MNH Technologies