+1(408) 432-8039 +1(408) 432-1089 sales@akoninc.com

RF & Microwave Amplifiers

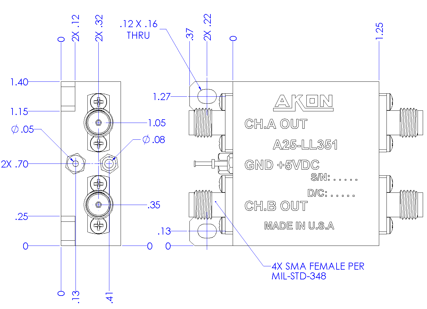
Dual Low Noise Amplifier

Features

    • Low Insertion Loss
    • High Isolation
    • Wide Band Frequency Coverage
    • Compact and Ruggedized Packaging
    • Package Options: Drop-In, SMA/2.9mm & SMP

Description

AKON's product line of RF & Microwave Switches that operates over a frequency range of 0.5 - 40 GHz. These switches are available in standard configurations such as SPST through SP6T with single ended TTL control. Our SP2T switches have a typical Insertion Loss of 1.2 - 1.8 dB, Isolation of 65 dB, and switching speeds of 40 nsec. Package options include Drop-In, SMA/2.9mm & SMP, and offers reflective/absorptive configurations.

AKON products are designed to withstand harsh environments of Military, Space and Industrial applications. Our compact and ruggedized products are designed to handle harsh mechanical shock/vibrations, temperature cycling, altitude and temperature extremes.

Reliability is a key feature of AKON products and to ensure this we perform ESS testing on all of our products. AKON offers an off-the-shelf screening option called its “H“ series, per Mil-STD-883 level B that is available on all of its RF & Microwave Components. For custom electrical, mechanical, and screening options, please contact AKON Sales: sales@akoninc.com (or) 408-432-8039.

SPECIFICATIONS
Note: You can select different models and submit inquiry or custom quote request with help of different options available at bottom of page.

Customer Program

JPL - MIRO (Complex Integrated Microwave Assembly)
JPL - MLS (complex Converter Assembly)
AEG - Germany FL-1800 (Electronic Counter Measure)
CSIST - Shipboard Radar Update
Raytheon - SLQ - 32
BAE/Sanders - USM - 406C (Test Set)
BAE/Sanders - USM - 464 (Test Set)
US Navy - SAR - Synthetic Aperture Radar TR Modules
NAVSEA/Envisioneering - SEAPORT-e Program (Tuners)
Lockheed Martin - AEGIS
SEARAM - Rolling Airframe Missile
Brazilian Navy
DSTO Australia
Anaren - Canadian F18
Ford - HARM Missile Seeker
ITT - ASPJ (Airborne Self Protect Jammer) IDECM (Integrated Digital Electronic Counter)
Japan - FSX, Several RWR (Radar Warning Receiver)
BAE/Loral - ALR - 56C (F15 Fighter) RWR
BAE/Loral - ALR - 56M (F16 Fighter) RWR
BAE/Loral - ALQ - 131 (Pod Mounted Jammer)
Turkish F-16 - Front End Converters SPEWS II
DRS - Euro Fighter Test Set
BAE/Loral - ALR - 56V - F15 (RWR Update)
Northrop Grumman - JSTARS
Northrop Grumman - ALQ - 188 (Electronic Attack Training Pod)
Raytheon - ALQ - 142 (LAMPS Helicopter)
Electronica (Italy)
Government of India - Aircraft Radar
DSTO (Australia)
© Copyright 2026 Akon Inc.
Design and Developed by MNH Technologies