+1(408) 432-8039 +1(408) 432-1089 sales@akoninc.com

Digital Frequency Discriminator

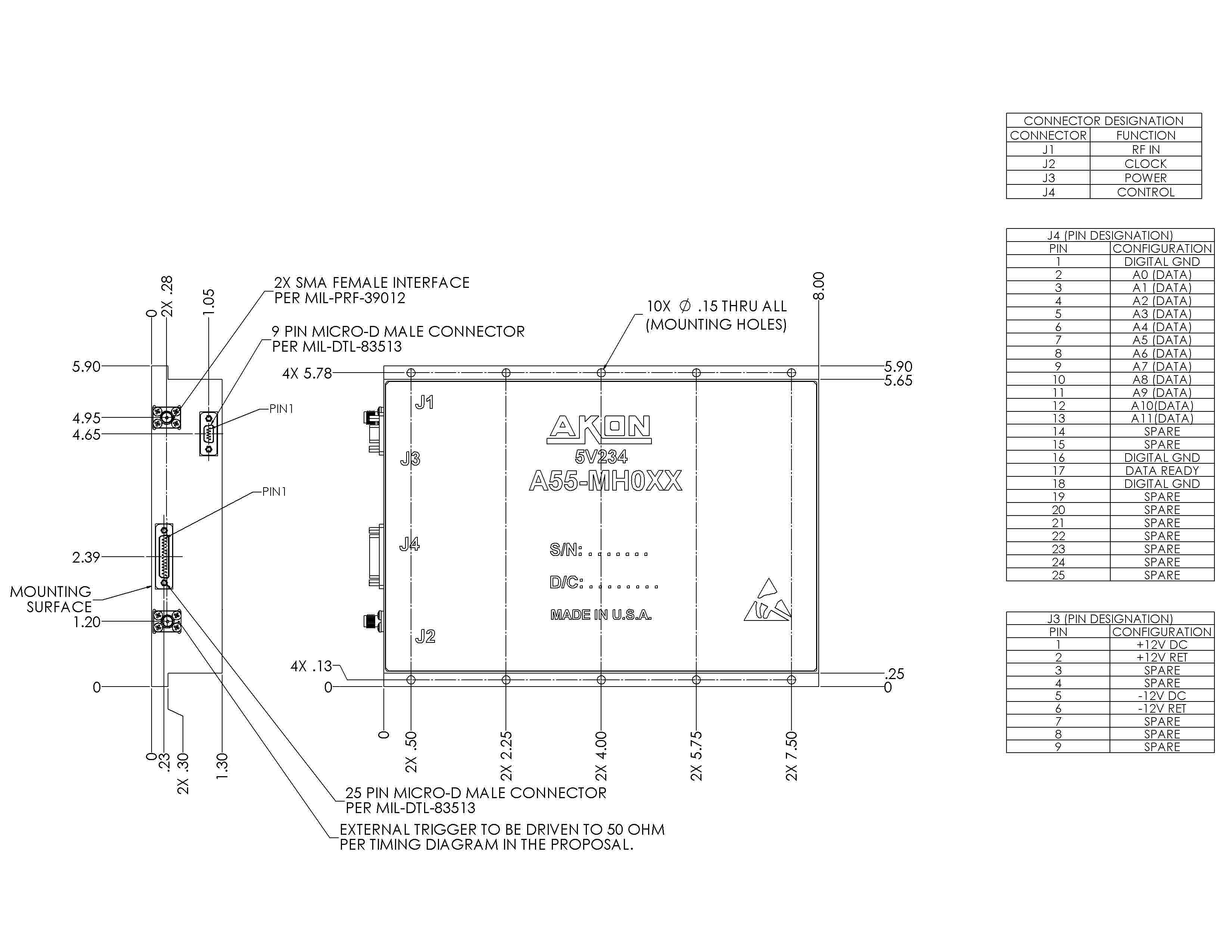
Digital Frequency Discriminators 2-6 GHz, 6-18 GHz and 2-18 GHz

Features

    • Wide Band Coverage
    • High Sensitivity
    • External Trigger
    • TTL Compatible 12 BIT Output
    • Built-In Input Filter
    • Built-In Limiting Amplifier with Exceptional Small Signal Gain Flatness

Description

AKON is a leading manufacturer of RF Microwave Millimeter Wave Components and Subsystems. AKON has developed a new series of 12 BIT Digital Frequency Discriminators (DFD) covering the frequency range of 2-6, 6-18, and 2-18 GHz. 12 BIT resolution DFD’s exhibit high accuracy of 5 MHz RMS for 2-18 GHz, 3.5 MHz RMS for 6-18 GHz and exceptional 1.5 MHz RMS for 2-6 GHz. These DFD’s have been designed with input Band Pass Filters to eliminate high level out of band signals producing false output and Limiting Amplifiers with approximate 80 dB small signal RF gain with exceptional frequency flatness of ±2.0 dB, inclusive of input Band Pass Filter. Exceptionally Low frequency flatness has a direct effect on DFD sensitivity. With 4.0 dB total Noise Figure, effective operational sensitivity for 6-18 GHz band is -60 dBm.

SPECIFICATIONS
Model Number A55-MH036 A55-MH037 A55-MH038
Input Frequency Range (GHz) 2 - 6 6 - 18 2 - 18
Built-In Input Filter Rejection 60 dB (GHz) Rejection 30 dB (GHz) BPF
DC - 1.7
6.9 - 18.0 GHz
BPF
DC - 5.2
20 - 30 GHz
BPF
DC - 1.7
20 - 30 GHz
Sensitivity, where specified accuracy is met dBm -61 -60 -59
Pulse Width (Nano Seconds) 50 to CW 50 to CW 50 to CW
Input VSWR 2.0:1 2.0:1 2.0:1
Dynamic Range (dBm) -61 to +5 -60 to +5 -59 to +5
Resolution Bits 12 12 12
Resolution Nominal (MHz) 1.0 3.0 4.0
Frequency Accuracy (RMS MHz) 1.5 3.5 5.0
Input Noise Figure (dB) Including loss of Input BPF 6.0 6.0 6.0
Input Harmonics (dBc) -20 -20 -20
Input Spurious (dBc) -50 -50 -50
Triggering (External), a negative going pulse, 50 nano second pulse width, applied within 0 to 10 nano seconds of RF leading edge. 0 - 10 0 - 10 0 - 10
Recovery Time/ Shadow Time Minimum time required between two signals for frequency measurement (Nano seconds) 500 500 500
Frequency Data Output FFF Hex for < 1950 MHz;
000 Hex for 1950 MHz
FFF Hex for > 6050 MHz
FFF Hex for < 5950 MHz;
000 Hex for 5950 MHz
FFF Hex for > 18050 MHz
FFF Hex for < 1950 MHz input;
000 Hex for 1950 MHz
FFF Hex for > 18050 MHz input
Through Put Time (Nano Seconds) From Leading edge of External Trigger 300 Max. 300 Max. 300 Max.
Data Ready Pulse Width (Nano Seconds) 100, Low TTL 100, Low TTL 100, Low TTL
Temperature Range (Degrees C) Note: Available from -40°C to +85°C -20/ +71 -20/ +71 -20/ +71
Power Supply +12V @ 250 ma
+9V @ 2.0A
-9V @ 0.3 A
+12V @ 250 ma
+9V @ 2.0A
-9V @ 0.3 A
+12V @ 250 ma
+9V @ 2.0A
-9V @ 0.3 A
Size: See Outline 8.0”x5.9”x1.3” 8.0”x5.9”x1.3” 8.0”x5.9”x1.3”
ESS To be discussed with customer based on application Optional Optional Optional
Select Product
Note: You can select different models and submit inquiry or custom quote request with help of different options available at bottom of page.

Customer Program

JPL - MIRO (Complex Integrated Microwave Assembly)
JPL - MLS (complex Converter Assembly)
AEG - Germany FL-1800 (Electronic Counter Measure)
CSIST - Shipboard Radar Update
Raytheon - SLQ - 32
BAE/Sanders - USM - 406C (Test Set)
BAE/Sanders - USM - 464 (Test Set)
US Navy - SAR - Synthetic Aperture Radar TR Modules
NAVSEA/Envisioneering - SEAPORT-e Program (Tuners)
Lockheed Martin - AEGIS
SEARAM - Rolling Airframe Missile
Brazilian Navy
DSTO Australia
Anaren - Canadian F18
Ford - HARM Missile Seeker
ITT - ASPJ (Airborne Self Protect Jammer) IDECM (Integrated Digital Electronic Counter)
Japan - FSX, Several RWR (Radar Warning Receiver)
BAE/Loral - ALR - 56C (F15 Fighter) RWR
BAE/Loral - ALR - 56M (F16 Fighter) RWR
BAE/Loral - ALQ - 131 (Pod Mounted Jammer)
Turkish F-16 - Front End Converters SPEWS II
DRS - Euro Fighter Test Set
BAE/Loral - ALR - 56V - F15 (RWR Update)
Northrop Grumman - JSTARS
Northrop Grumman - ALQ - 188 (Electronic Attack Training Pod)
Raytheon - ALQ - 142 (LAMPS Helicopter)
Electronica (Italy)
Government of India - Aircraft Radar
DSTO (Australia)
© Copyright 2026 Akon Inc.
Design and Developed by MNH Technologies